
系列用途

用于监测空气压力
适用于通风空调系统;
用于监测空气过滤器,气流,风扇皮带;
用于监测洁净室,厨房等压强;
监控通风空调系统中的压差,低压或过压。通过测量压差,监测空气过滤器,主导气流,被损坏皮带以及洁净室和厨房等房间的过压等。

注意事项

安装注意事项
压差探测器附带安装说明(No.604.15011)。
方位重要注意事项:安装方位除垂直方向外都影响插入压力。
压差探测器适合安装在风管或墙上。推荐方位是垂直,但原则上任何方位都可以接受。
压强连接管道可为任意长度,但如果长度超过2 米,响应时间将增加。
压差探测器应该安装在压强连接点上方。为防止凝结水聚集,管道应该是连通的,在压强连接处和压差探测器之间应该有一个逐渐倾斜的坡度(无回路)。
调试注意事项
要求的设定点可以在盖板上的设定把手[5]上选择(见“安装方式外形尺寸”中的图)。
压差探测器出厂校准为垂直安装。如果水平安装,则对开关点的影响如下:
-盖板朝上:开关点比刻度高11Pa。
-盖板朝下:开关点比刻度低11Pa。

安装方式

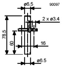
外形尺寸

要点:
1 安装托盘
2 P1 连接,高压
3 P2 连接,低压
4 压差刻度(出厂时用油漆密封)
5 调节把手
管道接头

压强开关附带两个管道接头。

接线方式

接线端

Ph
1-2 连接为压强降低
1-3 连接为压强升高
应用举例