明纬MEAN WELL RS-75-24 【价格|报价|参数|选型|货到付款】-自动化商城
我的自动化

0

去购物车结算
订购电话:400-672-8859在线客服

全部商品分类

您当前的位置:首页 >> 工业电源 >> 工业开关电源 >> 通用开关电源 >> 明纬 >> RS-75-24

明纬 MEAN WELL RS-75-24
DC VOLTAGE:24V/3.2A    (INPUT)EFFICIENCY(Typ.):85%    (PROTECTION)OVER VOLTAGE:27.6~32.4V;Protection type : Hiccup mode, recovers automatically after fault condition is removed    

产品型号:
RS-75-24
市场价:
¥343.0编号:AM01F0300290004
会员价:
¥226.0(6.5889215折)
VIP成为VIP可享受更多优惠什么是VIP?
货期:
运费:
标准快递方式:快递标准费用
货到付款方式:快递标准费用+服务费查看运费规则
 
  • DC VOLTAGE:
  • (INPUT)EFFICIENCY(Typ.):85%
  • (PROTECTION)OVER VOLTAGE:27.6~32.4V;Protection type : Hiccup mode, recovers automatically after fault condition is removed
我要买:
-
+
(件)
立即购买
加入购物车
如您需要多个型号商品一起下单,可以尝试多商品报价下单功能
变频柜

型号:RS-75-24

参数:DC VOLTAGE:24V/3.2A    (INPUT)EFFICIENCY(Typ.):85%    (PROTECTION)OVER VOLTAGE:27.6~32.4V;Protection type : Hiccup mode, recovers automatically after fault condition is removed    

品牌:明纬

系列简介及说明

Features :
Universal AC input / Full range
Protections:Short circuit/Over load/Over voltage
Cooling by free air convection
LED indicator for power on
100% full load burn-in test
All using 105
Withstand 300VAC surge input for 5 second
High operating temperature up to 70
Withstand 5G vibration test
High efficiency, long life and high reliability
3 years warranty
分割线

注意事项

1. All parameters NOT specially mentioned are measured at 230VAC input, rated load and 25 of ambient temperature.
2. Ripple & noise are measured at 20MHz of bandwidth by using a 12" twisted pair-wire terminated with a 0.1uf & 47uf parallel capacitor.
3. Tolerance : includes set up tolerance, line regulation and load regulation.
4. Line regulation is measured from low line to high line at rated load.
5. Load regulation is measured from 0% to 100% rated load.
6. The power supply is considered a component which will be installed into a final equipment. The final equipment must be re-confirmed that it still meets
EMC directives.
分割线

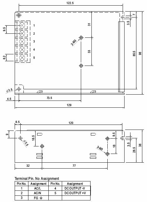
安装方式

Mechanical Specification
Case No. 903     Unit:mm
RS-75 series安装方式
分割线

购买必读

 
  • 购买咨询
我要咨询
咨询类型:
内容:
提交
 
  • 商品评价

该类别所有品牌

点击排行

清空最近浏览过的商品

购物帮助
网站简介 | 典型客户 | 安全说明 | 网站声明 | 加入收藏夹
400客服电话: 400-672-8859 客服信箱
自动化商城 ©2001—2025 Allrights Reserved
京ICP证040842号-1 | 京公网安备11010802020292号经营许可证编号:京B2-20210302
经营性网站备案信息 电信与信息服务业务经营许可证 中国互联网违法和不良信息举报中心 海淀网络警察

官方微信
二维码

公众号

官方微信
小程序

小程序

购物车
在线客服
回到顶部